Web Analytics Made Easy - Statcounter
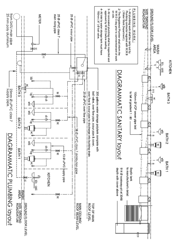
Simple Kitchen Sink Plumbing Riser Diagram – DIY Made Easy!

Simple Kitchen Sink Plumbing Riser Diagram – DIY Made Easy!

Simple Kitchen Sink Plumbing Riser Diagram – DIY Made Easy! How to plumb a kitchen sink with a kitchen sink plumbing diagram